对于无引气条件下的滑跑中引气跳开,参见无引气起飞诱发引气灯亮,实际在文章中的案例三补充已经谈到了有引气情况下跳开的案例。其实防冰活门导致的中断也是类似原理,参见进气道防冰超压导致中断。
今天看到有网络公众号对类似问题做分析,特引用。
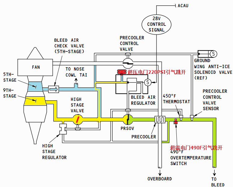
一、故障现象
某NG起飞滑跑阶段刚推油门,速度大约40节时左发引气跳开,按压TRIP RESET后左发引气恢复正常。排故测量线路正常,引气健康测试正常,更换HPV后测试正常,运行监控正常。
二、故障分析
1、译码
发现当大推力N1达到89%的时候,左发BLEED TRIP OFF灯亮,MASTER CAUTION灯亮,左发PRSOV关闭,引气切断,引气压力从50PSI一下子到3PSI,而左发引气温度比较稳定390F。

2、通过N1转速对照表
海平面标准大气压情况下:N1大约25%-48%是用的9级引气,压力32+6PSI。N1大约48%-54%是5和9级压力转换。N1大约超过55%后完全使用5级引气,压力42+8PSI。
所以,N1在89%时,肯定用的都是5级引气压力。

3、引气跳开分为两种
(1)超压跳开:BAR感受PRSOV上游级间压力,当压力超过220PSI时引气跳开。
(2)超温跳开:490F感受PRSOV下游引气温度,当温度超过490F时引气跳开。
所以,本次故障时引气温度远没到490F,所以不是超温跳开而是超压跳开,或者线路故障。

4、PS3高压机出口压力
发动机核心9级高压压气机出口连接一个硬管到EEC底部的PS3接口,通过EEC内部的传感器感受PS3压力,来控制发动机转速防止高压压气机叶片失速或喘振。
所以,可以通过PS3的数值,估算出高压压气机9级出口压力。
5、通过以上分析再回过来看译码
飞机在大推力N1达到89%的时候,高压压气机出口压力传感器PS3探测到286PSI,此时正常情况下引气系统已经完成5、9级转换,5级引气给飞机系统供气。如果此时高压级活门没有关严,会有未经调节的高压引气进入级间,BAR的超压电门正好是感受级间压力。
当压力超过220PSI会触发BAR引气超压跳开。

三、排故
1、引气部件方面
引气健康测试正常,更换引气面板、ACAU、MW0311、PRSOV、BAR、390F、490F、HSR、HPV,试车测试正常。
引气健康测试均正常:
BAR端Ps供气70-75,Pc压力26.5正常(20-28PSI);
PCCV端测得10.9正常(9-27PSI);
HSR端Ps压力70-75,Pc压力15.5PSI正常(标准值:(14-18);
HSR反流通过。
结合原理分析,大概率是HSV关不严,排故拆下旧HSV发现活门略微关不严有缝隙,开关操作有卡组感,但是新HSV能关严操作开关正常。

总结,本次故障的主要原因是大推力下,9级活门没有关严或者关闭响应慢,造成未经调节的高压9级引气混入级间,BAR探测到220PSI超压,造成引气跳开。引气健康测试虽然做出HPV功能,但是活门卡组或响应慢不一定能检查出来。排故后需要试大车,快速推油门执行5级、9级引气转换检查正常,确保故障排除。
点评:机队由于OMP后9级活门拆换率大幅下降,而此类故障多见于9000FH以上的部件,且由于不是持续卡滞,不能通过实时温度和压力监控识别。因而决议通过在周期内增加一轮健康检查的方式,识别装机时间长的部件卡滞问题。