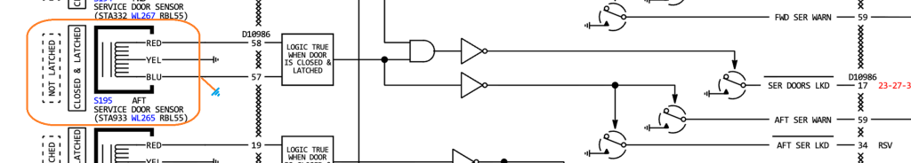
2025年11月,有客改货飞机出现右后勤务门灯亮闪亮的问题,常见于进近过程中。 由于客改货飞机已经将门锁死,不会做动。基本排除客机常见的,在增压情况下,手柄抬起导致间歇性故障问题。 在更换传感器,面板无果之后,基本锁定为线路问题。 经详细的线路检查,发现线路和释压活门本体有干涉磨损。 经搭接对地验证,故障可再现。 从机理看相当于从蓝线找到了地。 Post Views: 327 文章导航 737NG发动机燃滑油热交换 PS3的信号监控