| MSG-3分类 | 显性安全类 | 安全状态等级 | 可控 | 机队状态等级 | 可接受 | ||||||
| 章节 | 29 | 日期 | 2026.2.5 | 编写人 | 张桃/张勇/ 符方洲/李鑫/王康业 | 审批人 | 曾晶 | ||||
一、概述 (张桃)
液压油渗漏是737机队的常见故障,其中突发的大量渗漏极易对运行造成较大影响,还可能影响机组操作和飞行安全,导致SDR事件的发生。而缓慢渗漏则较为隐蔽,通常难以识别,虽短期内不会造成严重后果,但存在突然发展成大量渗漏的情况。从机队运行情况来看,比较突出的是部件老龄化、管路磨损导致的漏油,另外液压油渗漏进入空调系统也是机队的典型问题。为减少此类故障的发生,特对失效原因做一分析,评估相应的预防管控措施。
二、系统原理(张桃)
1、缓慢渗漏(典型问题:部件老龄化)
1)后缘襟翼限流活门和优先活门
后缘襟翼系统正常由B系统驱动,驾驶舱手柄作动钢索到轮舱上部的扇形盘然后输入机械信号襟翼控制组件里面的后缘襟翼控制活门。当放出襟翼时,液压油经过前缘优先活门和流量限制器供油给襟翼控制活门控制液压马达放出襟翼。优先活门安装在轮舱顶部,限流器上游,当B系统压力低于2400PSI时,优先活门内部的滑阀作动,限制供到下游的液压油量到0.7加仑/分,以保证前缘优先放出。流量限制器位于主轮舱顶部,用于限制液压油量到14加仑/分来减缓后缘襟翼的放出速度。

2)PTU限流器
PTU是一个动力转换组件,用于当B系统发动机驱动液压泵不工作时提供额外的液压油,来使自动缝翼、前缘襟翼和缝翼以正常的速率工作。PTU使用A系统压力来为液压驱动泵提供动力,再由该泵给B系统液压油增压。PTU流量限制器位于主轮轮前壁板PTU控制活门的上游,用于限制来A自系统的液压油流过PTU控制活门,液压油流量限制为13.7 加仑/分,以保证各系统能够正常工作。活门组件件号65C26839-29(活门本体1121S1-12-14-0),该阀是一种压力补偿调节装置,控制在预定值3000PSI液压系统中的流体流量。通过阀门的流量在规定范围内保持恒定。

3)刹车往复活门漏油
刹车往复活门位于主轮舱左右两侧,总共4个活门。主要作用是选择正常刹车(B系统液压)或备用刹车(A系统液压)中的较高压力,并将其传递到刹车组件。当两个输入压力源(如B系统和A系统)之间的压差大于80psi时,往复活门内部的滑块移动,将高压侧的压力通道打开,同时关闭低压侧通道,实现压力的定向传输。

4)EDP供压管漏油
EDP供压管安装在发动机上,属于EDP液压动力输出管路,其一端通过转接头连接在EDP上,另外一端通过转接头和发动机吊架液压管连接,将经EDP增压的液压动力通过供压管输出到飞机的各液压系统。EDP供压管的两头各有一个快卸接头,可以实现管路快速断开和自封的功能,并提供接头完全连接位置的指示。EDP管路两端的快卸接头主要通过下图中的O型封圈和支撑环进行密封,防止油液外漏。

2、大量渗漏(典型问题:管路磨损)
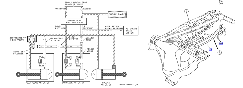
1)起落架收放液压软管
起落架控制系统主要包括起落架手柄组件、起落架转换活门和起落架选择活门,收放作动筒、起落架和液压软管。当起落架手柄在收上或放下位时,液压油从转换活门和选择活门,经过收放液压软管供到收放作动筒,实现起落架收放,当手柄在OFF位时,选择活门连通供油和回油管路,收放液压软管不增压。

3、液压油渗漏进入引气/空调系统
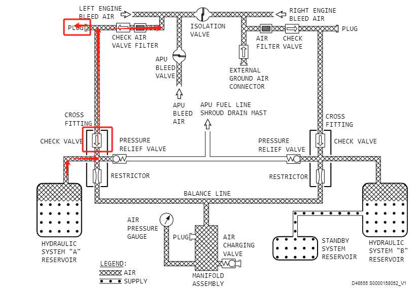
液压油箱增压系统主要由气滤组件、四通接头、释压活门、压力表等组成。在增压管路上,增压引气经气滤,气滤单向活门、四通接头单向活门进入液压油箱,两个单向活门阻止液压油箱的油气反流至空调管路。正常情况下,引气系统或外部气源给液压A、B系统油箱增压至45-50PSI,当引气系统释压时,液压油箱仍能保持增压状态。若A系统油量超过满位,在四通组件单向活门失效在开位的情况下,可能导致液压油反流到上游引气管路,从在增压气管上的PLUG堵头排出,若此时汽滤单向活门失效在开位,则油液将反流进入空调系统。

三、故障原因分析(张桃)
1、缓慢渗漏
1)典型案例
航线检查中发现部件接头或部件本体有油迹,地面打压测试漏油超标,更换后测试正常。
2)失效数据
从后缘襟翼限流活门、优先活门、PTU限流器和刹车往复活门的42起漏油数据来看, 机龄主要集中在8年以上,占比96%,具有明显的老龄化特征。

3)失效特征
从拆下部件的检查情况来看,主要的失效模式是接头封圈出现磨损,且有材料丢失。

针对刹车往复活门,还有一类典型的失效特征是活门本体漏油,从活门壳体的NDT检测照片来看,内部靠近安装孔的位置存在裂纹。另外对测试不漏油的部件也进行了NDT检查,同样发现存在壳体存在细小裂纹。

4)失效分析
从典型部件封圈的失效形态看,出现了损伤和缺失,分析是由于封圈长期受液压压力波动影响,由于反复挤压逐渐出现磨损,最终造成密封性能下降,导致液压油渗漏。
针对刹车往复活门本体裂纹导致漏油的情况,参考CMM手册,往复活门壳体为铝合金材料,分析是在循环液压压力作用下出现应力疲劳损伤,导致渗漏。
针对旧构型EDP供压管漏油,主要由于设计缺陷导致,结合厂家分析,是在液压压力脉冲作用下,O型封圈会紧靠相邻的PEEK硬质支撑环的倒角,导致O型封圈内应力过高出现蚕食、封圈密封性能下降导致漏油。
2、大量渗漏
1)典型案例
落地前实时监控液压A系统液压油量低和A系统EDP低压警告,飞机落地后机组反映前轮转弯无法工作,飞机拖回。地面检查A系统液压油量0,B系统油量16,进一步检查发现右主起落架收放作动筒放下管路漏油,更换管路后打压测试正常。
2)失效特征
检查为右主起落架收放作动筒放下路液压软管本体漏油成线,进一步检查发现液压软管和黄色支架干涉出现磨损,拆下管路检查管路磨损处露出金属编织层,同时检查黄色支架孔干涉位置有黑色磨损印记。

3)失效分析
从地面检查看,分析是右主起落架放下路液压软管和支架存在干涉,长时间磨损后出现破损和大量渗漏。当起落架放下后,液压油通过软管供到起落架收放作动筒放下端,在3000PSI高压下,A系统油量出现快速下降。后续落地后机组参考检查单将备用前轮转弯电门放备用位,转换活门作动导致B系统压力油供到起落架放下油路,B系统液压油从软管漏出,当B系统油量小于21%以后,转换活门不满足作动条件回到正常位,B系统油量下降停止,此时由于A系统无法供压,导致前轮转弯无法工作。
3、液压油渗漏进入引气/空调系统
1)典型案例
过站检查A系统油箱增压管路PLUG堵头有漏液压油,检查机上液压油量106/106,机械表头指示均超过满位。译码A系统液压油量超过112。完成A系统四通组件更换,并完成上游引气管路清洁后恢复正常。
2)失效特征拆下四通组件,检查本体上的单向活门处液压油泥较多,作动活门有卡滞,无法完全复位。

3)失效分析
结合系统原理,该故障的发生主要涉及两个方面,一方面是液压油箱内的油量过高,尤其是冬季南北航班运行时,由于温差较大导致液压油量明显变化,在温度高的航站可能会出现液压油过满的情况;另一方面是四通活门本体失效卡滞在开位。
以上两个条件叠加后,就会导致液压油反流到上游管路,若此时上游气滤单向活门失效,则液压油将反流到气源总管,进入到空调系统,导致污染和异味的发生。
四、机队可靠性状况(张桃)
1、从近5年机队的延误千次率数据来看,整体运行平稳,存在小幅波动,但存在逐步上升的趋势。

2、统计近5年由于液压系统漏油导致的SDR事件4起,其中备降2起,涉及EDP本体漏油、EDP供压管漏油、液压组件压力传感器封圈以及PTU限流器封圈破损导致。
五、全球机队可靠性状况(张勇)
N/A
六、厂家文件及改进措施(张勇)
N/A
七、故障处置(李鑫)
1、MT关于冬季部件漏油的维护提示。
2、SOP液压油渗漏外部快速检查。
3、关于
737机型监控到液压系统漏油后的操作建议(机组提示)
八、预测性维护数据研究(符方洲、王康业)
对737机队进行预测性维护,通常分为两个手段:一个是基于ACMS系统的实时监控;另一个是基于译码数据分析的PHM系统。前者由于机载计算机计算能力有限,但是可以第一时间触发预警,适合用于即时的门槛类预警;后者借由地面服务器丰沛的算力,可以进行趋势性分析,但是WQAR文件的下传解译以及相应的分析逻辑计算都需要时间,实时性不如ACMS系统,适合趋势性的预警。
针对实时监控系统,当前有三种监控方式:
1、针对大量渗漏
通过设置一个较低的合适门槛,用于监控单段突发的大量漏油,同时加上持续时间要求来减少液压油量传感器跳变导致的假警告。当液压油量低于门槛值,则第一时间邮件通知技术组,可以联系机组并通过UPLINK来了解飞机液压油量的实时数据,及时进行处置。项目如下:
| 名称 | HYD A OIL LEVEL LOW |
| 代码 | 292101 |
| 监控逻辑 | 空中,双发N1大于20%,当系统油量A低于50%超过了30秒触发 |
| 处置要求 | 1、液压油随温度变化,会产生较大的影响,冬季从三亚飞往哈尔滨的液压油量,可能会出现18%的减少;2、A系统在收起落架后,通常会有16%以上的液压油量减少,通常情况A系统在收起落架后,油量值在70%多。3、核实该机液压油量指示是否存在保留。4、最重要的是以5分钟为间隔,观察液压油量的变化情况。如没有变化,表明存在初始值低的情况或发生的系统在空中未供压,可以持续观察使用;5、发生在供压管路的渗漏概率较高,可以根据5分钟的渗漏率来判断是否可到达目的地机场;6、EDP发生低压的值可能发生在20%多的时候,在泵关闭供压后,如油量不再下降,EMDP低压可能在15%左右,在放起落架的时候可以尝试重开EDMP来短时驱动,起落架放下后,将给A系统带来18左右的油量恢复。7、落地后检查漏点,注意部分系统需提起落架手柄来检查(插好销子)。 |
| 名称 | HYD B OIL LEVEL LOW |
| 代码 | 292102 |
| 监控逻辑 | 空中,双发N1大于20%,当系统油量B低于50%超过了30秒触发 |
| 处置要求 | 液压油随温度变化,会产生较大的影响,冬季从三亚飞往哈尔滨的液压油量,可能会出现18%的减少;核实该机液压油量指示是否存在保留;最重要的是以5分钟为间隔,观察液压油量的变化情况。如没有变化,表明存在初始值低的情况或发生的系统在空中未供压,可以持续观察使用;发生在供压管路的渗漏概率较高,可以根据5分钟的渗漏率来判断是否可到达目的地机场;EDP发生低压的值可能发生在20%多的时候,在泵关闭供压后,如油量不再下降,EMDP低压可能在15%左右;6、落地后检查漏点。 |
2、针对缓慢渗漏
通过自定义HYD报,在飞机落地后采集双发关车时的液压油量,并设置一个触发门槛。当满足门槛时,邮件通知技术组安排对飞机进行检查,是对缓慢漏油的一种监控手段。项目如下:
| 名称 | 73N-液压A系统可能需要勤务 |
| 代码 | N/A(非机载软件逻辑) |
| 监控逻辑 | HYD报返回的A系统液压油量低于80。 |
| 处置要求 | 译码核实数据,并检查是否存在渗漏,按需隔离漏点,并完成勤务。 |
| 名称 | 73N-液压B系统可能需要勤务 |
| 代码 | N/A(非机载软件逻辑) |
| 监控逻辑 | HYD报返回的B系统液压油量低于80。 |
| 处置要求 | 译码核实数据,并检查是否存在渗漏,按需隔离漏点,并完成勤务。 |
3、针对液压油过满进入引气/空调系统
通过采集运行中飞机液压油箱油量的最大值,并设置触发门槛,当超过门槛时触发警告,邮件通知技术组对飞机进行检查,用以识别液压油箱油量过满的情况下,溢油反流到上游污染空调系统的情况。
| 名称 | 73N-HYD A OVERFILL |
| 代码 | 292105 |
| 监控逻辑 | 双发N2大于30,A系统液压油量大于等于110持续30s |
| 处置要求 | 1、核实系统真实液压油量。 2、检查液压油箱增压压力是否在绿区。 1)如果油箱压力正常,放油至航后勤务标准,即视为完整处置,后续不用继续监控或处置。 2)如果油箱压力正常,但没有放油条件,核实报文回传的液压油量,小于112,可以放一段至有条件的地方。如果大于或等于112,建议执行放油。 3)如液压油箱增压压力不足,没有排故条件的情况,需放油到90%以下,安排在航后排故。 以下适用于排故检查。 3、译码核实油量最大值,如果超过116,可能已经进入到气源/空调系统,注意检查油箱增压管路通气孔PLUG、地面气源接头有无漏油。 (液压油箱四通组件溢油可能进入空调系统,气源接头可能导致发动机启动时冒烟。) |
| 名称 | 73N-HYD B OVERFILL |
| 代码 | 292106 |
| 监控逻辑 | 双发N2大于30,B系统液压油量大于等于110持续30s |
| 处置要求 | 1、核实系统真实液压油量。 2、检查液压油箱增压压力是否在绿区。 1)如果油箱压力正常,放油至航后勤务标准,即视为完整处置,后续不用继续监控或处置。 2)如果油箱压力正常,但没有放油条件,核实报文回传的液压油量,小于112,可以放一段至有条件的地方。如果大于或等于112,建议执行放油。 3)如液压油箱增压压力不足,没有排故条件的情况,需放油到90%以下,安排在航后排故。 以下适用于排故检查。 3、译码核实油量最大值,如果超过116,可能已经进入到气源/空调系统,注意检查增压管路通气孔PLUG、地面气源接头有无漏油。 (液压油箱四通组件溢油可能进入空调系统,气源接头可能导致发动机启动时冒烟。) |
九、业内工程措施汇总(张桃)
1、航后/航前/过站工卡整体目视检査主起落架舱,确保状态正常。
2、MP每4800FH详细检查前/主轮舱区域的液压部件和液压管路的安装是否牢固,有无损和渗漏。
3、EO每1200FH清洁主轮舱液压部件和前轮舱液压部件。
4、EO每5500FC清洁主轮舱液压部件和前轮舱液压部件。
5、EO每30DY详细检查主轮舱液压部件。
6、EO针对飞机机龄超过8年的后缘襟翼限流器和优先活门、PTU限流器封圈进行一次性更换。
7、EO针对CSN大于14250CY的飞机执行刹车往复活门封圈一次性更换。
8、EO针对旧构型EDP供压管155012-12-21进行主动升级到155012-12-2014。
9、调整航后工卡中冬季液压油检查和勤务标准,避免冬季液压油过满的情况。
10、实时监控液压油量低并进行预警,并通过UPLINK工具持续监控液压油量。
11、液压油缓慢渗漏监控并预警。
十、部件修理策略(张桃)
1、针对往复活门本体漏油,对送修部件的壳体增加执行NDT检查,对有裂纹缺陷的进行更换。
十一、可选政策汇总(张桃)
1、对具有老龄化漏油特征的部件建议主动措施
优:提高部件可靠性,减少漏油事件的发生,投入少效果明显。
劣:批量更换,可能引入施工原因导致的漏油。
2、建立组合式的油量实时监控,覆盖快速渗漏、缓慢渗漏和油量过满三种业务场景。
优:通过合适的门槛能有效捕捉趋势类故障。
劣:门槛值的调整易诱发虚假警告。
3、对于往复活门,建立适合机队运行特点的部件修理策略。
优:有效识别部件早期缺陷。
劣:增加送修成本,同时需增加航材备件。