| MSG-3分类 | 显性安全类 | 安全状态等级 | 可控 | 机队状态等级 | 可接受 | ||||||
| 章节 | 27 | 日期 | 2026.1.5 | 编写人 | 张桃 | 审批人 | 曾晶 | ||||
一、概述
后缘襟翼指示系统故障导致的后缘襟翼旁通是737机队的典型故障,容易导致中止进近或复飞等SDR事件,对机组操作也会造成一定的影响。从机队故障数据来看,多是由于后缘襟翼位置传感器导致,特对系统工作原理和失效原因做一分析,评估相应的预防措施避免此类故障的发生。
二、系统原理
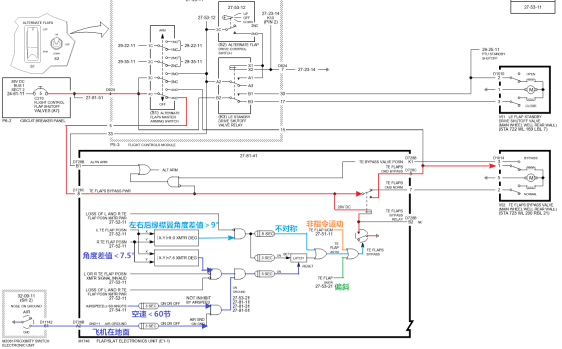
后缘襟翼指示系统的主要部件有:襟翼位置传感器、襟翼位置指示器和FSEU。襟翼位置传感器内有三个同步器,分别将后缘襟翼位置信号给到SMYD、FCC和FSEU,用于失速警告管理、自动驾驶和指示。

当左右后缘襟翼位置传感器用于指示的一组同步器的角度解析差值>9°,且持续时间超过0.5秒后触发不对称保护,旁通活门作动,若持续时间超过3秒,则旁通活门锁定在旁通位。只有当传感器角度解析差值恢复到7.5°内,且飞机在地面且空速<60节,5秒后才能复位。如下图所示:

三、故障原因分析
后缘襟翼位置传感器故障导致的后缘襟翼旁通故障,主要分两类原因:一类为后缘襟翼位置传感器性能缓慢衰退,一类为后缘襟翼位置传感器突发卡滞。
- 数据统计
1)统计2020年以来,后缘襟翼旁通故障总计20起,均完成后缘襟翼位置传感器更换,从传感器的更换情况来看,新件为14起,占比70%。同时结合机队新旧件拆换占比数据,可以看出新件的整体失效比例相对较高。

2)从故障发生的时间统计来看,10月到次年3月冬季运行期间的故障比例相对偏高,且多发生在北方航站,且新件失效比例相对较突出。

3)统计失效比例较高的新件传感器旁通故障更换数据,总计14起,平均失效时间为31741FH/16231CY。其中冬季运行的9起,平均失效时间为29804FH/15279CY。


4)统计历史2015年以来新件和修理件的更换数据,新件占比62%,平均更换时间为19571FH/10252CY,修理件平均更换时间4273FH/2257CY。

2、失效原因
从拆下部件的修理报告来看,密封圈均出现损坏,多数为一个同步器失效或内部多个轴承磨损,导致指示输出误差大,更换后恢复正常。

3、失效分析从以上数据可以看出,从2019年开展实时监控以来,对于趋势类故障的识别和发现起到了非常有效的管控。但突发卡滞类问题,在冬季则愈发的凸显起来,且主要集中全新件超过20000FH小时的部件上。分析与传感器出现潮气入侵,水汽在极寒冷天气情况下发生结冰,油脂硬化,使轴承的转动不畅凸显出来相关。
四、机队可靠性状况
1.从故障百次率和延误千次率数据来看,故障率整体呈现下降趋势,不正常事件整体较低,千次率处于相对低位。


2.统计2020年以来的SDR数据,万时率呈现小幅波动,每年均有后缘襟翼指示故障导致的SDR
事件,属于机队SDR TOP故障。

五、全球机队可靠性状况
后缘襟翼指示系统故障导致后缘襟翼旁通是全球机队的典型问题,波音FTD和FIX均有多家客户反映此情况,建议波音评估改进措施。
六、厂家文件及改进措施
1.737NG-FTD-27-17002 Flap System Shutdowns Due to Sensed Asymmetry波音收到多起起飞收襟翼或下降阶段放襟翼出现旁通的事件,建议参考FIM进行检查,若无法确认根本原因,建议更换位置传感器和指示器,同时建议在送修时同时更换传感器内部的三个同步器,提高部件可靠性。
2.737-SL-27-196(2015年) 针对旧构型传感器插头潮气入侵,建议在合适时机执行传感器和连接插头升级。
3.737-SL-27-266(2018年) 针对后缘襟翼旁通故障的原因进行分析,并提供检查建议。
4.737-SL-27-318(2024年)波音建议通过QAR或ACMS监控后缘襟翼指示系统,提前发现部件降级并进行处置。
5.2025年霍尼春季研讨会,霍尼发现修理记录中包括了很多高寿部件,因此建议对高寿传感器进行预防性修理。从厂家统计数据来看,传感器平均拆下时间为30844FH,与我司数据一致。

6.2025年厂家已开发后缘健康检测设备和施工步骤用于后缘襟翼健康检查和排故。可以实时读取后缘襟翼和偏斜传感器的健康状况,并可自定义门槛值。由于采样频率高,能看到更精细的输出电压波动情况,且可以区分表头和传感器的故障源。不利的方面为前缘无指示。


七、故障处置
- MT16-737-27-007 关于737NG飞机前缘位置传感器更换的维护提示
着重介绍在更换过程中的施工和调节要求。
2. SOP-73N-27-002 后缘襟翼旁通的标准处置流程
着重介绍排故的检查要点和次序。
八、预测性维护数据研究
当前机队采用趋势监控和实时监控想结合的方式进行捕捉。由于飞机构型,采样频率和采样一致性问题影响,使用实时监控的方式,是构型覆盖面最广的首选推荐。
全机队通过实时监控直接获取机上左右襟翼角度,设置角度差触发门槛进行预警(针对角度差大于3.6度的);
译码数据监控(适用于451/452/1024库,译码数据中左右襟翼角度数据在同一行的飞机),对历史航段的左右襟翼角度差进行趋势监控,进行提前处置,避免运行中故障的发生。故障监控则是对后缘襟翼旁通进行及时预警,提高故障处置效率,减少不正常事件的发生。
1、实时监控
| 名称 | TE FLAP ASYMMETRY 3 DEGREES |
| 代码 | 278114 |
| 监控逻辑 | 后缘襟翼位置角度差大于3.6度且小于4.3度,逻辑设置为在任一N1大于30%时,后缘襟翼位置角度值差大于3.6度并持续2秒。(襟翼角度为解析器角度) |
| 处置要求 | 1、检查后缘襟翼是否存在真实卡滞情况,按需执行收放检查,并在FSEU读取各角度值是否满足要求。2、如确认机组收放无异常,该警告首次出现时,可以建立1周的观察期,并在状态网做好记录,如还出现报文,则需要更换位置传感器。如出现缓慢增加趋势,则还需要更换位置指示器。更换工作可安排在维修条件满足的合适时机执行。(对于执飞高高原航班的提高标准,出现预警后调整航班或安排更换。)注意:当已经更换过位置传感器和指示器,如报文仍然连续出现。则可能是左右传感器匹配性导致的。因为传感器的指示变化为曲线变化,个体之间存在差异,导致曲线并不完全吻合。这种情况下建议先对传感器进行调节,几个点位综合考虑,找平均差值最小的调节位置。 |
| 名称 | TE FLAP ASYMMETRY 4 DEGREES |
| 代码 | 278115 |
| 监控逻辑 | 后缘襟翼位置角度差大于4.3度且小于5度,逻辑设置为在任一N1大于30%时,后缘襟翼位置角度值差大于4.3度并持续2秒。(襟翼角度为解析器角度) |
| 处置要求 | 1、检查后缘襟翼是否存在真实卡滞情况,按需执行收放检查,并在FSEU读取各角度值是否满足要求。2、该警告首次出现时,应进行译码判断,视情更换缺陷的一侧传感器。3、若存在缓慢增加的情况时,比如第一次为3度,第二次为4度,除更换角度值异常一侧的传感器,还需要更换位置指示器。4、更换工作可安排在维修条件满足的合适时机执行。(对于执飞高高原航班的提高标准,出现预警后调整航班或安排更换。)注意:当已经更换过位置传感器和指示器,如报文仍然连续出现。则可能是左右传感器匹配性导致的。因为传感器的指示变化为曲线变化,个体之间存在差异,导致曲线并不完全吻合。这种情况下建议先对传感器进行调节,几个点位综合考虑,找平均差值最小的调节位置。 |
| 名称 | TE FLAP ASYMMETRY 5 DEGREES |
| 代码 | 278116 |
| 监控逻辑 | 后缘襟翼位置角度差大于等于5度,逻辑设置为任一N1大于30%时,后缘襟翼位置角度值差大于5度并持续2秒。(襟翼角度为解析器角度) |
| 处置要求 | 1、检查后缘襟翼是否存在真实卡滞情况,按需执行收放检查,并在FSEU读取各角度值是否满足要求。2、当首次出现就大于5的情况,结合译码进行分析,如属实,需该航段立即更换角度值异常的一侧的传感器和表头。注:表头由于串联原因,不能译码或测试来隔离。 |
| 名称 | L/R TE FLAP OVERROLL |
| 代码 | 278117 |
| 监控逻辑 | 在N1大于30%时,任一后缘襟翼位置角度值小于-1.5度持续2秒。目的在于监控襟翼位置传感器内部是否存在磨损。手册在全收上标准为-3.7到+1.8,实际数据显示出厂传感器基本上都在-1.2以上。(襟翼角度为解析器角度) |
| 处置要求 | 1、收放襟翼检查收放过程中是否存在卡阻。2、完成收上情况下传感器位置读取,和PC卡译码;3、更换对应侧的襟翼位置传感器。更换工作可安排在维修条件满足的合适时机执行。(对于执飞高高原航班的提高标准,出现预警后调整航班或安排更换。 |
2、趋势译码数据监控
通过对每个航段的左右后缘襟翼角度进行译码,获取最大差值,并形成趋势曲线,若差值有增大趋势,则表明传感器性能开始下降,需对数据进一步分析并提前处置。

代码如下:
import pandas as pd
import numpy as np
from itertools import groupby
def TEST(**kw):
try:
encoding = ‘utf-8’
skiprows=[]
qar_file = kw.get(‘qar’)
threshold_1 = kw.get(‘threshold_1’)
threshold_2 = kw.get(‘threshold_2’)
if not qar_file:
raise ValueError(“源文件缺失”)
df = pd.read_csv(qar_file,sep=’,’, encoding=encoding, skiprows=skiprows)
l = kw.get(“P”)
for i in l.split(“^”):
if i and i not in df.columns:
raise ValueError(“对应参数无法找到”)
Y=l.split(“^”)[0]
M=l.split(“^”)[1]
D=l.split(“^”)[2]
F1=l.split(“^”)[3]
F2=l.split(“^”)[4]
N21= l.split(“^”)[5]
N22= l.split(“^”)[6] #入参
df=df.bfill().ffill() #填充
j0=((df[Y] > 0)&(df[M] > 0)&(df[D] > 0))
S = j0.idxmax() if j0.any() else 0
df = df.loc[S:] #假数据筛除
df.eval( f”R=abs({F1}-{F2})”,inplace=True)
j1 = ((df[N21] > 20) & (df[N22] > 20))
j2= (df[‘R’] > threshold_1)
M=df.loc[j1,’R’].max() if any(j1) else 0
j=(j1 & j2 ) #数据清洗
if any(j):
A = max([len(list(m)) for n, m in groupby(j) if n == True])
if A > threshold_2:
result = {‘Result’: 1, ‘t’:A ,’v’:M ,’Comment’: “差值超限”}
else:
result = {‘Result’: 0, ‘t’:A,’v’:M , ‘Comment’: “正常”}
else: result = {‘Result’: 0, ‘t’:0,’v’:M , ‘Comment’: “未筛选到数据”}
3、故障实时监控
| 名称 | T.E. FLAP BYPASS |
| 代码 | 275102 |
| 监控逻辑 | 任意发动机RUN+ BYPASS 延时2秒 |
| 处置要求 | 当左右襟翼角度差值大于9度(原始数据)的时候出现旁通。自检FSEU,读取故障信息;完成PC卡译码作为辅助判断;3、通常故障的传感器都是角度变化较慢的那一侧,表头因为是信号串联的原因,不能排除。4、收放襟翼检查收放过程中是否存在卡阻。 |
九、业内工程措施汇总
1、MP每年入冬前详细检查后缘襟翼传感器插头,视情完成防腐或更换接头。
2、MP每750FH对FSEU进行自检,操作检查襟翼倾斜和不对称系统。
3、对超过15000FH的全新件,进行一轮主动的更换。
4、对插头封胶。5、实时监控和译码数据监控相结合的预防性手段。
十、部件修理策略
1、传感器送修将基准位置角度误差范围从+/-1.5度调整到+/-0.5度。
2、-10后缘襟翼位置传感器返厂修理时升级为-12。
3、针对故障送修的传感器,主动更换襟翼指示通道同步器。4、返厂时对于襟翼位置传感器的三个同步器,如未更换,选择性能最好的同步器,安装于给FSEU的通道上。
十一、可选政策汇总
- 建立实时监控和译码数据监控相结合的预防性手段。
优:较为精准,通过合适的门槛能有效捕捉趋势类故障。
劣:对于突变类故障无法捕获,门槛不同投入不同,对IT系统的支持有要求。
2. 对传感器插头进行防腐和防潮处理。
优:部分解决腐蚀带来电阻变化问题。
劣:不能解决内部机构长期磨损问题。单次约需要2*2的人力投入。
3.对老龄化传感器建立主动管控。
优:解决内部结构长期磨损,轴承润滑不足,结冰卡滞的问题。
劣:会增加备件和送修成本。
4.建立适合机队运行特点的部件修理策略。
优:解决共性的修理质量问题,减少短装机的发生,延长在翼寿命。
劣:会增加单次送修成本。
5.使用厂家的健康检测设备用于定期检查、监控的补充手段或故障隔离。
优:解决可视化精准检测的问题,识别偏离了正常工况的部件,可区分表头和传感器的失效。
劣:需要新购设备、不能完全解决跳变类问题、增加人力投入、在收放过程中需人工监察前缘状态。