| 项次 | 内容 |
|---|---|
| 代码 | 700002 |
| 信息分类 | 故障类 |
| 故障等级 | 3 |
| 事件分类 | 普通故障 |
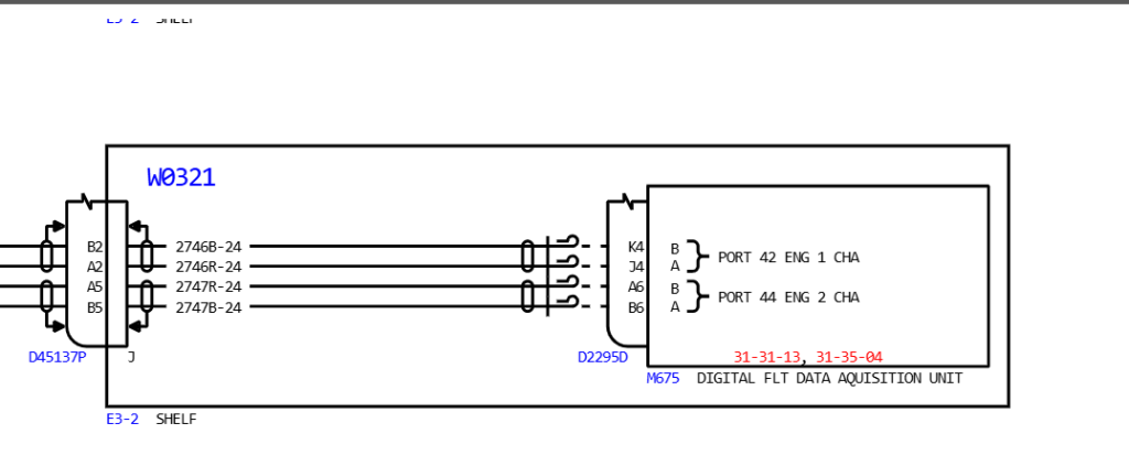
| 实现构型 | 全机队(除部分构型WDM31-62-15 SHEET3 D2295D未接线外,差异见下图) |
| 关联信息 | L ENG CONTROL/R ENG CONTROL |
| 信息复核 | 需要 |
| 复核方式 | uplink与自检EEC |
| 复核要点 | 自检EEC确认是否有相应的故障代码 |
| 报文解读 | EEC探测到右发有故障代码。代码的解译办法如下图说明。 |
| 标准处置建议 | 自检EEC,按FIM排故 |
| 机组操作 | N/A |
| 信息通告 | N/A |
| 可能性后果 | 如伴随控制灯亮,可能导致延误 |


以下为该报文原始报文的解析方式:
TELEDYNE构型:
TELEDYNE构型的返回格式,大致如下图
LABEL: 左发A通道/左发B通道/右发A通道/右发B通道
每个通道由4个16进制组成

可以看出右发A通道是8000,每一位都16进制转2进制,得到下面的表格

可见右发A通道 LABEL 152的BIT29对应的故障代码触发了,对照代码与参数的对应表格(见附件)
可以得到触发的代码是73-X127Y

所以这里实际对应的代码是73-11272
HONEYWELL构型:
Honeywell构型的返回报文如下
可以直接看到左右发A,B通道 各个LABEL的情况
每个LABEL 16个BIT对应的格式是4个16进制
LABEL: 16进制/ 16进制/ 16进制/ 16进制

可以看出右发B通道的LABEL 150 存在非0的BIT ,0080 转换如下


即77-20872
注意如果同一发的同一代码的A,B通道都有触发,如 77-10871与77-20871都同时触发了,实质上意为77-30871触发